Поломки и ремонт судового электрооборудования. Работа с автоматикой и электроникой в условиях судна. Только практика!
Если у вас не прогружаются какие-то фотографии / картинки / чертежи, тогда рекомендуем использовать VPN сервисы!
14.06.2022
Temperature controller. Замена и настройка температурного контроллера на грузовом кране
Приветствую читателей! В этой статье мы будем менять температурный контроллер грузового крана. Он вышел из строя и по этой причине не работает система защиты гидравлики крана по температуре масла.
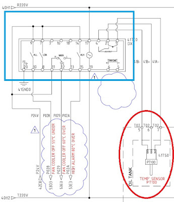
Температурный контроллер (ПИД регулятор) на кране вместе с датчиком термосопротивления PT100 являются ключевыми элементами защиты гидравлики крана от перегрева масла. Датчик находится в расширительной цистерне, через которую постоянно циркулирует масло системы гидравлики. При изменении температуры в цистерне изменяется термосопротивление датчика, соответственно меняется ток и напряжение в цепи датчика.
Терморегулятор W3230 подключение, настройка, обзор

Схема работы датчика температуры на кране
Температурный контроллер (ПИД регулятор) при температуре в цистерне 80°C и выше выдает аларм по высокой температуре масла и останавливает систему гидравлики. При температуре 55°C и ниже контроллер останавливает вентилятор охлаждения холодильника масла, при температуре 60°C и выше вентиляторы охлаждения будут работать в автоматическом режиме (на схеме надпись «off 60°C» может ввести в заблуждение).

Инструкция по высокой температуре

Troubleshooting manual
Если возникают какие-то проблемы с контроллером, датчиком или PLC, тогда следует обратиться в Troubleshooting manual, который предлагает производитель.
В нашем случае проблема с температурным контроллером, дисплей которого вышел из строя и требует замены.
Замена контроллера
Терморегулятор ,контроллер температуры W3230. С АлиЭкспресс
Отдача жил
Заменяем контроллер на новый, при этом очень важно заранее сделать маркировку всех контактных жил, а также переписать себе в блокнот нумерацию. Цепь управления контроллера должна быть заранее обесточена. Можно использовать принципиальную схему подключения, кому как удобно.

Настройки режима работы контроллера

Настройки работы контроллера

Настройки ПИД составляющей контроллера

Настройки параметров контроллера
После замены контроллера его необходимо настроить. Проверяем настройки на всех грузовых кранах и, используя инструкцию от производителя, настраиваем ПИД контроллер.

Элементы управления контроллера
В нашем случае важно выбрать опцию «Deviation alarm» — «High и выставить уставку в 40°C. Такая настройка может сбить с толку, т.к. у нас должно быть 80°C.
Значение 4 0°C на нижнем дисплее (аларм 12°C по низкой температуре)
Изменяем значение высокой температуры ALH (с завода стояло значение 839)
Но все объясняется тем, что контроллер работает в режиме девиации (отклонения). Мы выставляем High alarm 40°C, Low alarm 20°C и уставку температуры на нижнем дисплее 40°C. Таким образом при температуре 40 + 40 будет выходить аларм по высокой температуре 80°C, а при температуре 40 — 20 = 20°C — по низкой температуре. Аларм по низкой температуре здесь является информационным.
Разборка старого контроллера
Разборка старого контроллера
Таким образом, мы установили новый температурный контроллер на грузовой кран, настроили его и проверили в работе. В этой статье хотелось акцентировать внимание на том, что недостаточно просто менять контроллеры и задавать уставки работы, необходимо проверять все настройки внутри ПИД регулятора и смотреть по какому режиму он работает.
Модель крана: DMC DDKC-3026-00 (Dongnam Marine Crane)
Модель температурного контроллера: Digital temperature controller DX3 (Hanyoungnux)
Источник: www.electroengineer.info
Доработка термореле w1209 до 1000 градусов

Перед включением следует изучить руководство по эксплуатации.
Для управления настройками схема W1209 предусматривает три кнопки:
Все предусмотренные функции и возможности настраиваются путем нажатия на перечисленные кнопки.
Согласно инструкции к W1209, для изменения настроек необходимо войти в режим программирования. Для этого нажимают и удерживают в течение 5 секунд кнопку «Set». Когда на экране высветится номер пункта настройки, кнопку можно отпустить. Для перемещения по меню настроек используют кнопки «+» и «-».
Всего инструкция термостата W1209 предусматривает от 6 до 8 позиций, в зависимости от текущей прошивки встроенного микроконтроллера:
- Р0 – переключение контроля нагрева или охлаждения;
- Р1 – регулировка диапазона гистерезиса;
- Р2 – изменение максимального предела контроля температуры;
- Р3 – изменение минимального предела контроля температуры;
- Р4 – коррекция температурной погрешности измерений;
- Р5 – программирование времени задержки включения;
- Р6 – тревога (не используется в большинстве прошивок);
- Р7 – принудительное выключение при достижении верхнего порога регулирования;
- Р8 – сброс к заводским установкам (работает не на всех прошивках).
По умолчанию, при входе в режим программирования устанавливается первый пункт меню – Р0.

Расположение клемм и элементов управления
Войдя в нужный пункт, при помощи кнопок «+» или «-» устанавливают необходимое значение параметра. Для выхода из режима программирования необходимо нажать и удерживать в течение 5 секунд кнопку «Set». Выход в режим работы с записью установок также происходит по прошествии 10 секунд, если за это время не была нажата ни одна кнопка.
Инструкция термореле w1209 dc 12 в информирует, что данное устройство имеет сигнализацию неправильной работы, что отображается на индикаторе:
- LLL – обрыв датчика температуры;
- 110 или HHH – короткое замыкание шлейфа датчика;
- 888 – неисправность датчика.
Кроме использования режима программирования, сброс к заводским настройкам можно произвести следующим образом:
- Снять питание с регулятора;
- Нажать одновременно кнопки «+» и «-»;
- Включить питание.
Настройки термостата (XH-W1209)
Для входа в режим настройки необходимо удерживать кнопку «SET» в течении 5 секунд, после чего кнопкой «+» или «—» выберем настраиваемое меню (P0 . . . P6). Для входа и выхода с меню, необходимо кратковременно нажать кнопку «SET«.
PO — Режим работы термостатаВ данной меню устанавливается режим работы «С — охлаждение» или «H — нагрев«, если выбран режим «C«, реле сработает, когда температура упадет до заданного значения. Если выбран режим «H«, то реле сработает когда при повышении температуры до заданного значения будет активировано реле температуры.
P1 — Настройка гистерезисаВ данном меню настраивается гистерезис (разница между температурой включения и выключения), значение от 0.1 °C до 15.0 °C, по умолчанию 2 °C, шаг изменения 0.1 °C. Например, если установлено значение в 2 °C, а температура работы 20 °C и режим «H«, то при температуре 22 °C, термостат отключит нагрев, а при температуре 18 °C включит нагрев.
P2 — Верхний придел температурыУстановка верхнего предела температуры значение от -45 °C до 110 °C, по умолчанию 110 °C, шаг изменения 1 °C.
P3 — Нижний предел температурыУстановка нижнего предела температуры значение от -50 °C до 105 °C, по умолчанию 110 °C, шаг изменения 1 °C.
P4 — Корректировка температурыВ данном меню можно откалибровать показания термометра, конечно если у вас есть образцовый термометр, значение от -7 до 7, по умолчанию 0, шаг изменения 1.
P5 — Задержка включения релеВ этом меню, устанавливается задержка включения 0 … 10 минут.
P6 — Верхний придел температуры отключенияМеню настройки аварийного превышения температуры от 0 °C до +110 °C, по умолчанию выключен «OFF«.
Сброс на заводские параметры:► Отключить питание► Нажмите и удерживайте «+» и «-»► Включите питаниеНа дисплее появится надпись 888, настройки сброшены.
Принципиальная схема подключения:
Купить на Aliexpress Терморегулятор XH-W1209
Купить в Самаре и области Терморегулятор XH-W1209 Акриловый корпус XH-W1209
Модернизация модуля термостата W1209 своими руками
Конструкция прибора дает широкие возможности для модернизации. Можно доработать устройство следующим образом:
- Поместить термореле в корпус;
- Удлинить шлейф термодатчика;
- Сменить версию прошивки.
Последний пункт возможно выполнить при наличии навыков работы с программируемыми контроллерами. Для этой цели используют USB программатор ST-Link V2. Необходимую версию прошивки можно скачать с официального сайта производителя контроллера. Переделка устройства путем смены прошивки на более новую позволяет ввести новые функции и улучшить эксплуатационные характеристики.

Вариант корпуса
Доработка шлейфа имеет смысл по причине малой длины штатного провода датчика (около 0.5 м).
Перечень инструментов и материалов:
- ножницы;
- отвертка;
- паяльник;
- тестер;
- пластиковая трубка от ушных палочек или стержня авторучки;
- неисправные светодиод диаметром 5 мм. — 4 штуки;
- пластиковые стойки — 4 шт.;
- соединительные провода;
- адаптер питания на 12В;
- шурупы;
- пластмассовая коробочка из под шурупов с прозрачной крышкой;
- самоклеющаяся пленка.
Изготовление корпуса.
Недостатком платы является то, что — она не подходит для установки в корпус, кнопки и индикатор расположены внизу относительно реле и клемм.

Умельцы по разному располагают плату этого регулятора — кто вырезает окошки в корпусе для индикаторов, реле, разъемов, некоторые перепаивают кнопки и индикатор, затем монтируют их отдельно Но я решил установить плату в прозрачном корпусе, подошла коробка из под шурупов.

Сначала захотел выкрасить ее предварительно заклеив окно для экрана ЛЕД индикатора. Но затем передумал и решил обтянуть пленкой самоклейкой (остались куски от ремонта). Вышло быстро и на мой взгляд вроде неплохо. После делаем окно в пленке для экрана светодиодного индикатора и просверливаем проходы для кнопок.

Установка электронной платы терморегулятора.
Плату терморегулятора установил на стойках из пластмассовой трубки (от шариковой авторучки) как можно ближе к верхней крышке. Изготавливаем толкатели кнопок из пластмассовой трубочки от ватных палочек или же от стержня шариковой авторучки. Затем на одном конце трубочки увеличиваем диаметр теплым паяльником и надеваем на кнопки. Трубочка села плотно так как расширилась паяльником на конус.


После закрываем верхнюю крышку и на выступающие толкатели вставляем неисправные светодиоды, предварительно откусив часть ножек — они будут являться самими кнопками.


На плате имеется светодиод для контроля работы реле. Его плохо было видно из под крышки я наклеил на него прозрачную часть сгоревшего светодиода, стало намного ярче.
Проверка и настройка регулятора.
Подключил для питания терморегулятора адаптер на 12 вольт (можно использовать любой источник питания на 12 вольт и ток от 0,1 ампера). Сравнил показания температуры с эталонным электронным термометром, в результате они оказались одинаковыми.

Настроить регулятор несложно. Чтобы войти в режим программирования надо нажимать и держать 6 секунд кнопку SET, после настраивать кнопками. Для сохранения настройки нажимать и удерживать кнопку SET, или же не трогать кнопки 10 секунд. Все установки терморегулятора останутся в энергонезависимой памяти контроллера и после отключения питания прибора..
Режимы настройки.
- P0 режим охладителя или нагревателя C/H;
- P1 настройка гистерезиса 0.1-15 градусов(разница в режиме переключения реле);
- P2 установка верхнего рабочего предела температуры;
- P3 установка нижнего рабочего предела температуры;
- P4 подстройка температуры;
- P5 задержка включения реле (0-10 сек.,);
- P6 аварийное превышение температуры. Режим Р4 служит для подстройки показаний по образцовому прибору.
На этом все доделки и переделки закончены. В результате, смонтировав плату в коробку мы защитили прибор от попадания влаги, механических повреждений на электронику и не допустили воздействие электротоком людей. После переделки можно использовать терморегулятор по прямому назначению. В общем и целом это неплохой недорогой прибор( 100 руб.) с большими возможностями в сфере применения.
Автор статьи “Апгрейд и настройка многофункционального терморегулятора W1209 своими руками ” Wop127
Смотрите так же:
Работа W1209 на примере подключения к инкубатору
Схема подключения терморегулятора здесь почти такая же, как и было описано выше, только к элементам нагревания добавляются еще: охлаждающий вентилятор, адаптер на 12 вольт, вентилятор, нагревательный элемент — лампочки накаливания.
На рисунке ниже показана схема, по которой подключается инкубатор. К термостату W1209 подключаются провода всех электрических приборов. Начнем с поступления переменного напряжения.

С правой стороны виден блок подключения термостата к сети постоянного напряжения 220 вольт. Однако он подключен не напрямую, а через 12-вольтный адаптер, преобразующий 220 в 12 вольт. Этот адаптер подключается к двум правым слотам — «минусу» и «плюсу».
К тому же на эти же провода подсоединен вентилятор на 12 вольт. К двум левым слотам подключаются лампы накаливания
Обратите внимание, что лампочки подключаются к сети напрямую без трансформаторов
В самом термостате предусмотрен режим при котором в случае повышения нормальной температуры, цепь размыкается автоматически и лампочки гаснут. Сами лампы подключаются параллельно, чтобы можно было вкрутить более мощные лампочки накаливания и также они могли бы работать лишь на половину своих мощностей.
Температурный датчик W1209 сделан не самым лучшим образом, потому что длина его проводов не превышает 50 сантиметров. В большинстве случаев этого совсем недостаточно для корректной установки прибора, чтобы правильно измерять температуру.
Терморегулятор W1209 является отличным изделием для использования регулировки температуры такого самодельного устройства, как инкубатор. Он отменно поддерживает оптимальную температуру. Приобрести его можно по этой ссылке.
Калибровка термореле W1209
Калибровка термореле осуществляется в режиме программирования в пункте меню Р4. Для калибровки нужно иметь образцовый термометр. Сравнивая показания эталона с показаниями конструкции, приводят их к одинаковым значениям манипуляциями кнопок «+» или «-». После выхода из настроек W1209 автоматически корректирует температуру измерений во всем диапазоне.
При отсутствии термометра можно воспользоваться известными значениями:
- Температура таяния снега – 0°С;
- Температура кипения воды – 100°С.
Для бытового использования величина погрешности будет в допустимых пределах при калибровке при помощи кипяченой воды вместо дистиллированной.
Краткий обзор модуля
Цифровой двухпороговый и двухрежимный – бескорпусный термостат W1209. Габаритные размеры этого устройства составляют 4,8х4х1,4 см. Это небольшая плата с разъёмом на замыкание, клеммником, кнопками программирования, дисплеем и индикатором включения. Основными достоинствами этого устройства являются:
- компактность – прибор имеет небольшие размеры;
- универсальность – этот терморегулятор можно применять в различных условиях, он терпимо относится к низким и высоким температурам, имеет достаточно широкий диапазон настроек;
- наличие в комплекте термодатчика, установленного на разъёме, что достаточно удобно в ряде случаев;
- устройство калибруется, это дает возможность использовать его при достаточно точном определении параметров.
Основой W1209 является контроллер STM8S003F3P6, задача которого состоит в анализе измеренной термодатчиком температуры, сравнении её с пороговыми значениями, установленными настройками. При несоответствии контроллер включает нагрузку на потребителя тока, который выводит температурный диапазон на запрограммированные значения.
Технические характеристики для столь недорогого прибора также впечатляют:
- диапазон управления температурой: -50°C …110°C;
- точность измерения: 0,1°C (исключение температуры ниже 10 и выше 100°C, в этом диапазоне только целые числа);
- точность контроля 0,1°C (исключение температуры ниже 10 и выше 100°C, в этом диапазоне только целые числа);
- гистерезис 0,1…15°C, его точность – 0,1°C;
- питание 12В, ток нагрузки 5А при 220В и 15А при 14В постоянного тока;
- термодатчик типа NTC 10K 0.5%, длина кабеля – 0,3 м;
- энергопотребление – 65 mA;
- подключение нагрузки через одноканальное реле.
Дополнительно необходимо отметить, что термодатчик имеет степень водозащиты и может работать при относительной влажности до 85%. Заданная температура показана на трехразрядном LED-дисплее. Питание w1209 dc 12 в производится от сети постоянного тока в 12-14В, силой 15А.
Пользователями отмечается достаточно высокое качество изготовления и пропайки этих устройств, в то же время нарекания вызывает короткий провод термодатчика – всего 30 см.
Важно! От влаги защищен термостатический датчик, сама плата термореле корпуса не имеет, по этой причине установка её в местах с повышенной влажностью приведет к выходу её из строя
Калибровка термореле W1209
Ее можно произвести по двум известным точкам: это температура таянья льда – 0ºС и температура кипения воды – 100ºС. Стоит отметить, что последний параметр не является постоянным и зависит от давления воздуха и его разрежённости, в высокогорье этот метод не подойдёт.
Калибровка, поверка W1209, настройка его в домашних условиях производятся достаточно просто. Датчик опускается в ёмкость с тающим льдом или снегом, на термореле включается режим настройки. Далее настраиваем меню P4, после чего нужно повторить действия на второй контрольной точке в 100 градусов Цельсия. В этом случае можно быть уверенным, что датчик показывает сравнительно точную температуру.
Схема подключения W1209
W1209 работает от постоянного тока — 12 вольт. Снизу представлена схема для подключения W1209. На центральном блоке расположены четыре слота. Левые два слота предназначены для подключения нагревательных элементов, правые два — для подключения энергии.

Согласно схеме, терморегулятор можно запитать от 220 вольт сети. Однако следующим элементом в этой цепи должен быть специальный трансформатор, который смог преобразовать 220 вольт в 12 вольт постоянного напряжения.
Слева от серого блока расположен нагревательный элемент (с двумя иероглифами), который можно подключить напрямую к W1209. В терморегуляторе размыкается контакт и нагреватель отключается.

Настройка и работа термостата
Настройка термореле производится при помощи трех кнопок, расположенных под дисплеем. Это клавиши: «SET», «+» и «–». «SET» отвечает за выбор режима настройки управления, плюс и минус отвечают за увеличение или уменьшение значений настраиваемых параметров. При этом настраивается один из двух основных режимов работы: это или нагревание, либо охлаждение термодатчика.
При температуре в рамках запрограммированной в меню прибора реле отключено, включение происходит при её снижении или повышении ниже запрограммированного гистерезиса. В этот момент реле включается и остаётся в таком состоянии до изменения температуры до уровня, установленного в настройках прибора.
При работе в режиме нагрева датчик реагирует на снижение температуры. Микроконтроллер отмечает снижение температуры на датчике, ниже определённого параметра, размыкает контакт реле и подаёт нагрузку на сигнализатор. Если он, в свою очередь, подключён к нагревательному элементу, то температура на датчике поднимается.
Контроллер при анализе информации с датчика отмечает этот параметр и его совпадение с заданным. После чего отключает сигнализатор, снижая нагрузку. Этот же процесс, но в обратном порядке используется в режиме охлаждения.
Контроллер получает информацию от датчика, разъем для него расположен на основной плате устройства. Сам термодатчик с герметичным влагонепроницаемым корпусом NTC 10K с сопротивлением 10 кОм подключается проводом через разъем на плате. Недостатком является лишь небольшая длина кабеля – всего 30 см, но при необходимости провод можно заменить на более длинный. Схема устройства приведена ниже.

Принципиальная схема термореле
Важно! Настройка параметров сохраняется даже при кратковременном нажатии на клавишу SET, поэтому нужно быть крайне внимательным при работе с управлением термореле
- bazaroved.ru
- amperof.ru
- jelectro.ru
- robotchip.ru
- vmeste-masterim.ru
- samodelka.info
Источник: 7lestnic.com

